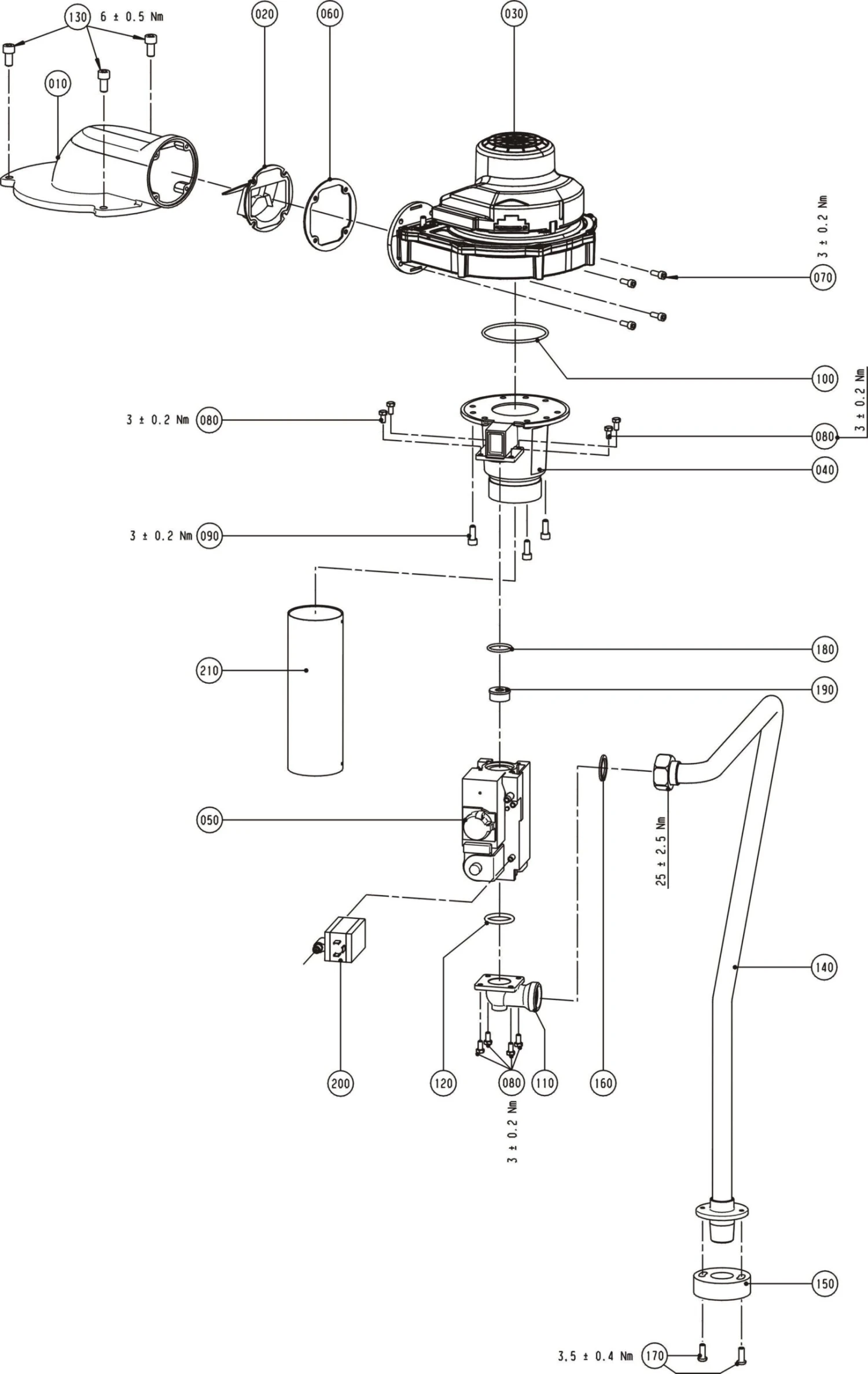
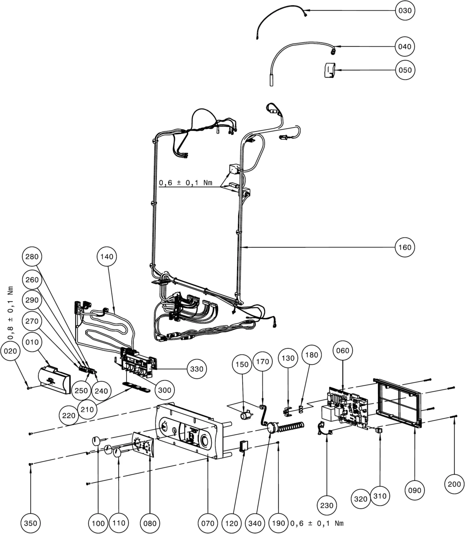
Wolf CGB-2-100 Gasbrennwert-Heiztherme 8616277
- Gasbrennwertgeräte
- Brennkammer geschlossen
- für raumluftabhängigen und -unabhängigen Betrieb
- Modulationsbereich von 16-100 %
- 5-fach kaskadierbar (bis 500 kW)
- Jahreszeitbedingte Raumheizungseffizienz von 95 %
- idealer Regelungsaufbau (alle Platinen
- optionales Link home in einem Gehäuse
- leicht zugängliche Anschlüsse)
- robuster und beschichteter AlSi-Wärmetauscher aus Strangpressprofil
- serienmäßige Abgasrückstromklappe für Kaskadenanwendungen
- intelligente Pumpenspreizungsregelung für optimale Brennwertnutzung
- kein Überströmventil
- keine Rücklauftemperaturanhebung
- einfacher Austausch von Bestandsgeräten
- zu Vorgängermodellen vollkompatible Anschlüsse
- Wartung ohne Heizwasser abzulassen
- Achtung: Bei Gasgeräten Montage nur durch qualifiziertes Fachpersonal !
















Rezensionen
Es gibt noch keine Rezensionen.